Magnetabscheider mit Permanentmagneten
Schurrenmagnet
Schurrenmagnete werden in geschlossenen Produktionslinien zum Entfernen ferromagnetischer Verunreinigungen eingesetzt
Magnetabscheider mit Permanentmagneten
Schurrenmagnet
Schurrenmagnete werden in geschlossenen Produktionslinien zum Entfernen ferromagnetischer Verunreinigungen eingesetzt
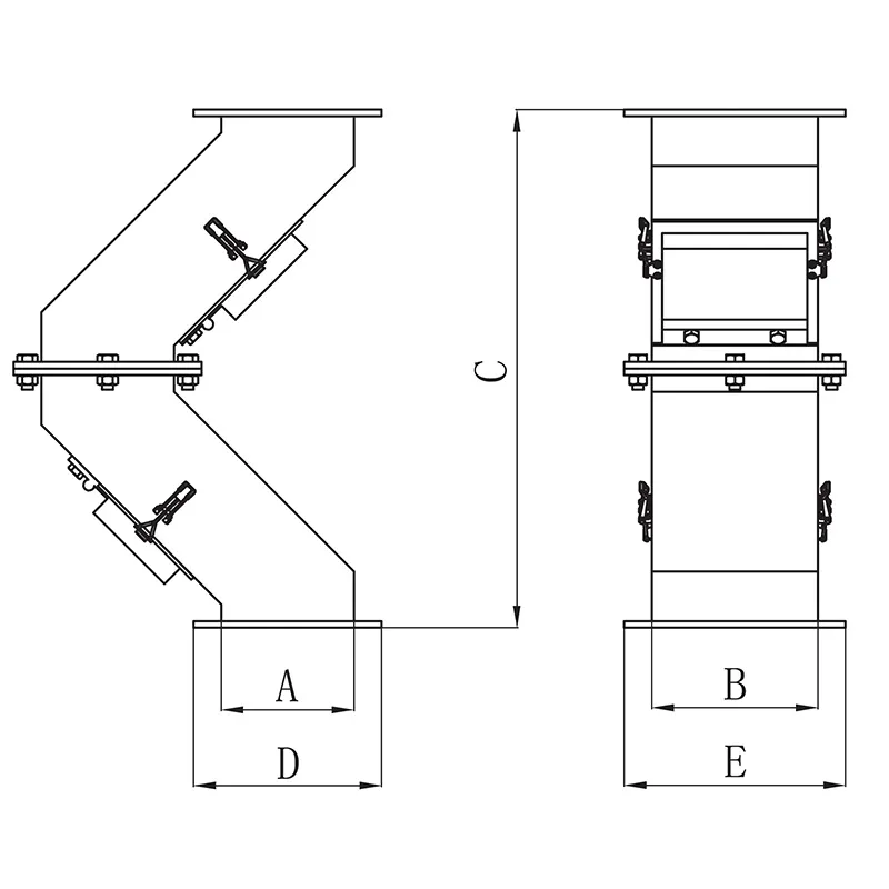
In geschlossenen Produktionslinien eingesetzt, können Schurrenmagneten verschiedene ferromagnetische Partikel, wie z.B. Eisenpartikel, entfernen, die mit den über Luftkanäle oder Schwerkraft transportierten Materialien vorkommen. Diese Magnete sind ideal für die Lebensmittel-, Chemie- und Bauindustrie und garantieren höchste Qualität sowie Schutz vor durch Verunreinigungen verursachten Defekten.
Schurrenmagnete entfernen ferromagnetische Verunreinigungen, um die Produktreinheit zu gewährleisten, bevor Materialien gelagert oder weiterverarbeitet werden. Außerdem werden so die Maschinen und Produkte entlang der Produktionslinie geschützt, da sie nicht von den kleinen Metallpartikeln beschädigt werden können. Bei Produktionslinien mit wengi Spielraum oder schwer zu erreichenden Maschinenteilen eignen sich Schurrenmagneten, da sie leicht von außen an Rohre, Schächte und Freifallleitungen angebracht werden können und von dort aus ihre Arbeit leisten.
| Modell | Maße (mm) | Gewicht (kg) | ||||
| B | A | C | E | D | ||
| | 150 | 120 | 470 | 170 | 200 | 14 |
| | 178 | 150 | 750 | 250 | 220 | 33 |
| | 178 | 200 | 750 | 300 | 220 | 44 |
| | 178 | 250 | 750 | 350 | 220 | 55 |
| | 178 | 300 | 750 | 400 | 220 | 66 |
| | 200 | 350 | 1110 | 450 | 300 | 128 |
| | 200 | 400 | 1110 | 500 | 300 | 146 |
| | 200 | 450 | 1110 | 550 | 300 | 164 |
| | 200 | 500 | 1110 | 600 | 300 | 182 |
- Plattenmagnet-Systeme sind zuverlässig und effizient bei der Entfernung ferromagnetischer Verunreinigungen.
- Magnete aus seltenen Erden oder Ferrit (je nach Kundenwunsch) zusammen mit Gehäusen aus 304 oder 316 Edelstahl machen die Abscheider besonders langlebig und korrosionsbeständig.
- Der angewinkelte Aufbau bringt die fließenden Materialien in direkten Kontakt mit den Plattenmagneten, sodass Verstopfungen und Verklumpen vermieden werden.
- Der einfache Aufbau dieser Systeme erleichtert die Installation und Reinigung und macht Instandhaltung zum Kinderspiel.
- Ein- und Austrittsöffnungen können je nach Kundenanforderungen angepasst werden.














